用途
本PG电子适用于石油、化工、制药、电力行业等各种工况的管路上,用于防止介质倒流。适用介质为水、油品、蒸汽、酸性介质等。
执行标准
设计制造:GB/T12236
连接法兰:GB/T9113
结构长度:GB/T12221
试验检验:GB/T26480
特点
1、旋启式阀瓣,结构简单,动作可靠。
2、流道通畅、流体阻力小。
3、动作灵敏、密封性能好,使用寿命长。
主要性能参数和材料
|
型号 |
公称压力PN |
适用温度℃ |
适用介质 |
主要零件材料 |
|
|
阀体、阀盖、阀瓣 |
密封副 |
||||
|
KTH44H/Y-16~63 |
16~63 |
≤425 |
水、蒸气、油 |
碳素钢 |
堆焊合金钢/硬质合金 |
|
H44H-16I~63I |
≤550 |
蒸气、油 |
铬钼钢 |
||
|
H44H-16V~63V |
≤570 |
水、蒸气、油 |
铬钼钒钢 |
||
|
H44H/W-16P-63P |
≤150 |
弱腐蚀性介质 |
铬镍钛不锈钢 |
堆焊合金钢或本体密封 |
|
|
H44H/W-16R~63R |
硝酸类 |
铬镍钛不锈钢 |
|||
主要连接尺寸
|
型号 |
DN |
50 |
65 |
80 |
100 |
125 |
150 |
200 |
250 |
300 |
|
H44H-16/25 |
L |
230 |
290 |
310 |
350 |
400 |
480 |
550 |
650 |
750 |
|
H |
155 |
175 |
194 |
205 |
230 |
285 |
330 |
380 |
397 |
|
|
型号 |
DN |
350 |
400 |
450 |
500 |
600 |
|
|
|
|
|
H44H-16/25 |
L |
850 |
950 |
1050 |
1150 |
1350 |
|
|
|
|
|
H |
440 |
505 |
582 |
610 |
650 |
|
|
|
|
|
型号 |
DN |
50 |
65 |
80 |
100 |
125 |
150 |
200 |
250 |
300 |
|
H44H-40 |
L |
230 |
290 |
310 |
350 |
400 |
480 |
550 |
650 |
750 |
|
H |
155 |
175 |
194 |
205 |
230 |
285 |
330 |
380 |
397 |
|
|
型号 |
DN |
350 |
400 |
450 |
500 |
600 |
|
|
|
|
|
H44H-40 |
L |
850 |
950 |
_ |
1150 |
1350 |
|
|
|
|
|
H |
440 |
505 |
_ |
610 |
650 |
|
|
|
|
|
型号 |
DN |
50 |
65 |
80 |
100 |
125 |
150 |
200 |
250 |
300 |
|
H44H-63 |
L |
300 |
340 |
380 |
430 |
500 |
550 |
650 |
775 |
900 |
|
H |
177 |
197 |
212 |
248 |
296 |
330 |
385 |
445 |
474 |
|
|
型号 |
DN |
350 |
400 |
450 |
500 |
600 |
|
|
|
|
|
H44H-63 |
L |
1025 |
1150 |
- |
- |
- |
|
|
|
|
|
H |
514 |
616 |
- |
- |
- |
|
|
|
|
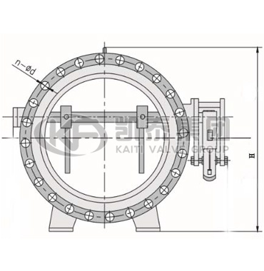
旋启式止回阀结构图
提示: KFH44H/Y 旋启式止回阀尺寸等信息仅供参考,修改恕不另行通知。如需准确的止回阀产品系列资料,请致电我公司索取,PG电子竭诚为您服务! 电话:021-36160823 .